广州超星堂琴行
 超星堂 > 新闻中心 > 最新文章 > > 效果器术语解释

效果器术语解释

作为声音的制造者,怎么样都要用到效果。而作为一个吉他手,也一定是会用到吉他效果器的。

当年世界上第一批吉他效果器问世的时候,大多都是在国外生产的,所以难免就会出现名称和参数都是英文的情况。而后来更有无数的效果器问世,都保持了使用英文标记名称参数的习惯。所以关于吉他效果的种种中文名称,实际都是后来我们自己翻译过来的。

这里,我们就浅谈一下吉他常用效果器的名词解释。

注:以下效果名称所引申出的效果器将使用全球销量第一的Boss系列效果器作为展示。


1.Distortion(失真)


这是我们必备的音色,音色没有必要过多的解释,所以这里要多花一点篇幅从波形原理上来说明。

失真效果主要分为:过载(Overdrive)、失真(Distortion)、法兹(Fuzz)、金属(Metal)。

首先我们来看一张图:

所有的失真效果器的原理都是通过对信号的大量增益,让线路达到饱和,从而实现非线性放大并产生失真的。

电吉他原来的信号类似一个正弦波,我们现在假设让这个信号通过一个失真效果器,先把失真度调到最小,然后慢慢开大,于是波形上下两端开始出现剪切,这时吉他音色发生了一些变化,出现了奇次的偕波,继续调大失真度,就将会出现对称限幅失真的情形,这时可以看到,正弦波已经变成方波了。也就是说失真度大小是和输入信号大小成正比的,由于过载效果器是工作在临界失真状态附近,这时吉他音色将随着你拨弦力度而变化,你在拨弦时用力越大,信号就越大,失真也就越厉害,而吉他的信号是随着时间衰减的,但是失真却能使吉他信号减弱程度变小。在压缩状态下,吉他声音将会比原来稍微延长一些,而在对称限幅失真的状态下,只要你轻轻拨弦都会有音色出来。可见提高失真度是有利于弹奏Solo时的连贯性的。

而影响失真音色还有一个重要因素就是失真的硬和软。硬的失真听起来特别结实,偕波成分比较丰富,颗粒比较小,就像粉碎了一样。MT-2这一类的金属效果器就属于硬失真。而软的失真听来不那么刺耳,弹低音弦时颗粒较大。硬和软在波形上的体现是方波角落的锋利程度,硬失真的方波比较尖,棱角分明,而软失真方波为圆角状。

需要注意的是,硬度并不等于失真度,失真度影响的是延音的长短,硬度影响的则是偕波成分的多少。硬失真和软失真,同样在比较低的失真度下,硬的失真听起来更明显。

还有一个需要值得注意的就是不要总是把失真度开到最大。选择一个合适的效果器和音箱,恰到好处,适可而止就好,不要越过了音箱和效果器的极限。

还有一点就是“Effect”这个单词。Effect直接翻译是效果的意思。广义上说,只要不是琴和音箱,其他的设备都可以叫做效果器。但是在标准的乐器界中,Effect(效果)这个词主要是指混响,延迟,合唱等空间效果。恰恰就不包括失真,均衡,和压缩等。

不过既然提到了失真就不能落下过载不管,说到过载自然就不能不提到BOSS的最新单块—技系列温暖圆润、通透平滑的SD-1w


2.Compressor(压缩)

压缩的作用在于调节各个声音的响度使之达到音量上的均衡。它也可以防止你弹奏得过强或过弱。压缩单元一般称为压缩器,它装有特别的放大线路,比如当你弹得太弱时,它便可以提高增益;当你弹得太强时,它可以降低增益。

压缩最常见的用处还是动态限制。并且压缩的质量对音色起绝对意义,在录音室中压缩还有很多其他的作用。建议如果不清楚自己要什么音色就不要乱用压缩,要用就尽量用在清音部分。

有时候我们在一些音乐作品中经常可以听到一些吉他的原声部分声音很有带感,这就是压缩效果器的声音了。而压缩效果一般可以通过以下三个地方来调节:

1、阀值(Threshold):决定什么时候对信号进行压缩或不压缩。设定阀值后,压缩只对大于阀值的信号进行压缩。

2、时间(Release Time):设定压缩发挥作用的时间。

3、延音(Sustain):对信号进行延长。

原理是这样的:


3.Limiter(限幅)

原理跟压缩器一样,不过限幅仅仅是抑制过强的信号,并且一般情况下压限效果器多用于Bass。


4.Noise Gate(降噪)

原理依然和压缩器一样,只不过是将Ratio设定到无限大。所以当吉他音量低过Threshold(门槛)后,Noise Gate就会把所有的声音砍掉,这样便达到了控制噪音的效果。Noise Gate(降噪)的作用就是将信号噪声吸掉,让吉他的音色变的干净。但是需要注意的是,过多的使用降噪会影响演奏时的力度表现和声音的尾音。

有兴趣的朋友可以参考一下NF-1的电路图:


5.Loop(乐句循环)

乐句循环效果器的基本功能就是短时录音和循环回放。最有名的要数Boss的RC系列。图中RC-1并不是指这是第一个乐句循环工作站,实际上是新款。它之前面还有RC-3、RC30、RC50、RC-300这样的老大哥。


6.Equalizer(均衡,EQ,等化器)

其实EQ这种东西,大家都应该见过,你的随身播放器,电脑播放器其实都有一个EQ均衡器,比如我刚刚看了下我的电脑播放器均衡就有十九段。

不好意思扯远了。

Equalizer这种东西,除了通常被叫做均衡和EQ之外,又叫做频率补偿器、参数均衡器,主要用于调整电吉他的频响曲线。因为电吉他的频带中心比一般扩音机低二个信频程,一般的扩音机音调控制器又无法调整电吉他的中、高频段,所以只有使用专用的均衡器才能解决问题。均衡一般最少两段,多则几十段。在吉他中,一般只用三到四段均衡,好一点的单块均衡一般在6到10段。当然,均衡不是越多就越好,因为越多就越难调。均衡没调好只会劣化音质,而且这个概率远远高过调出好音色……

均衡是对特定频段进行电平上的提高或者衰减,并且根据Q值的大小来相应影响对周边的频率,所以胡乱的调均衡只会造成音色的毛刺感,这也是调效果器最难和最关键的地方。专业级别的效果器会提供尽量多的参数控制,而越便宜的越贴近傻瓜式操作的均衡,就是为了避免由于怕操作不当而劣化音质砸他的牌子。另外舞台音响使用的多段均衡也不是为了调节音色,而是为了避免某频段的反馈和声音的驻波,或者只是弥补场地的声学环境而已。


7.Wah-Wah Pedal(哇音踏板)

哇音踏板实际上是一个带通滤波器。当它被置于一定位置时,可以用来控制音调。而不断踩动踏板时,则会由于高低音的交替增减而产生出特殊的效果。比如当你把哇音踏板的前端踩下去,高音就会增加;把后端踩下去,低音就会增加。也就是说,哇音可以将信号的某个频段进行放大或缩小。因此,哇音踏板不光可以用来产生哇音效果,还可以将它作为一个特殊的音频激励器来使用。

图中列出的Boss PW-10是世界第一颗采用COSM技术的哇音踏板,并且可以说是一个哇音和失真的综合踏板,功能非常强大,不仅内置了8种哇音效果和8种失真效果,而且贝司也同样适用于贝司。

除了传统的CryBaby和Vox的哇音音色之外,PW-10还内置了Steve Vai御用的Morley Bad Horse哇音音色,Uni-Vibe音色,以及Boss自己的哇音音色和一个贝司哇音音色。更加霸道的是,还有一个人声踏板的效果,并且可以通过踏板得到11种人生发音的效果。8种效果分为7个自带效果和1个用户编辑效果。而且失真效果还带了降噪!

然后这里要特别指出一个单词,那就是Pedal。

Pedal并不是指单块效果器,而是真正意义上被称为踏板的东西,只要是可以前后踩的都称为踏板。包括音量踏板,哇音踏板和表情踏板等。

如果想显得逼格高一点的话,你可以说Single Pedal(单块式效果器),Stompbox(有时候又特指失真类单块效果器),但是还是建议讲Guitar Pedal。


8.Delay(延迟,延时)

Delay(延迟,延时)可以将声音按原样重复出来,并且间隔时间、次数、程度都可以进行调节。这里顺便提一下很多朋友在设置速度时遇到的时间设置(ms),其实很简单,这是有一个基本的计算公式的:

60÷歌曲速度×1000=1拍

数学渣表示为了方便计算,所以假设歌曲的速度是Temp=120,那么根据公式可得1拍的时间是60÷120×1000=0.2×1000=500ms。

于是,你便可以根据这个公式来设定延时音的出现时间了。


8.Chrous(合唱)


Chorus是利用BBD电路,使声波产生延迟后与正常声波混和,通过两个声道的输出,从而使电吉他的声音左右游移回荡、柔美宽广像混声大合唱的效果。如果只用一个输出端则立体大合唱效果较差。原理是用Time Modulation(时间调节)的原理,将延迟时间调到0.01-0.04秒,这样就把吉他讯号的频率部分 (Pitch)加以周期性的改变,这时候,就出现飘渺柔和温暖动人撩人心弦的Chorus声音了。


9.Reverb(混响)

和Chorus一样,Reverb被称之为混响也是一件毫无争议的事情。

混响主要是指一个封闭空间里的大量回声,即使发声源已经停止了发声,它依然可以让声音保持一段时间。人工混响单元通常用于给音乐增加现场感和空间感。

在这里我们需要知道的常识是:在任何封闭的空间里,混响都是可以自然产生的。

如果你哪天有兴趣,可以抱一把木吉他去澡堂,去厕所,去楼道,去空无一物的房间弹弹琴唱唱歌试试,你将会得到一种非常非常棒的自然效果的。别忘了回来谢我啊!


10.Booster(激励器、推子)

激励器是为了弥补电子管自带失真的不足,修补频段,让音色更饱满而产生。比如有时候你感觉自己弹琴的音色软绵绵的,除开弹琴力度,拾音器和琴弦粗细的原因,你可以考虑一下是否需要使用到激励器。


11.Flanger(镶边)

在所有周边效果中,Flanger可以说是名字最多最不确定的一个,有直接叫弗朗戈的,有叫飘忽的,还有叫卷边的……Flanger其实可以创造非常丰富的音色效果,比如合唱音色、自动哇音,轻快的谐波质感、多变的频率涡动效果、喷气式飞机似的嗖嗖声、颤动的高音以及镭射枪“biubiubiu”一般的速感。

所以我觉得还是“镶边”这个名字合适,毕竟它是在镶嵌你的周边。


12.Phase(相位)


也有叫做移相,相移的。 ( ╯-_-)╯┴—┴

原理与合唱,镶边相同,都是用Time Modulation(时间调节)的原理,将延迟时间调到低于0.01秒以下,将吉他信号的频率部分(Pitch)加以周期性的改变。只不过,相位和镶边唯一不同之处是在于:Phase是在干净的吉他信号之前和之后都放有被Time Modulation(时间调节)干掉并处理后的延迟信号。Flange则是把被Time Modulation(时间调节)干掉并且处理过后的信号,仅仅是放在干净的吉他信号之后。


13.Pitch Shifter(移调)


这个很容易理解,就是可以将原有声音的音调变高或变低,也可以在原有的音高基础上加上一个相差任何度数的声音。


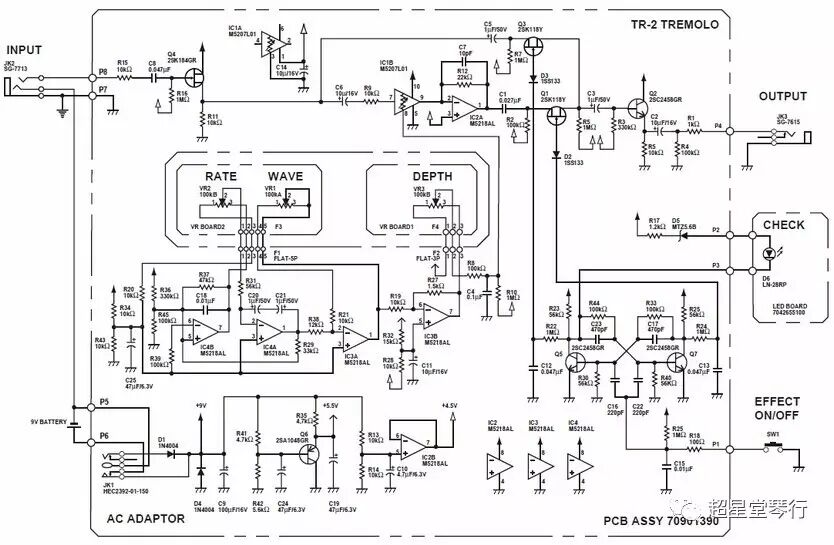
14.Tremolo(颤音)


也叫音量改变效果器。原理很简单,前面提到的哇音踏板是利用通过改变吉他信号的频率(FM)来制造效果,而Tremolo则是利用改变吉他信号的振幅(AM)来制造出效果,试着把吉他的音量钮有规则的上下转动,这就是Tremolo的效果了。

学霸可以参考下图:


15.Octave(八度)


这个名词不难理解,就是加一个高一个或者两个八度,或者低一个或者两个八度音在原有的声音上。


16.Harmonizer(和声)


Harmonizer是指可以根据原有的音高,加上正确的和声音程,例如加上三度、五度、七度等。而大多数的和声效果都可以自由选择所需的调性。

请注意,这里的PS6非前面提到的PS3。但是PS6不仅拥有Harmonizer功能,而且还具备了PS3的移调功能和超级弯音等功能。

淘宝店请扫描二维码关注“超星堂琴行”公众号就可以看到淘宝链接啦!

【广州超星堂琴行】

电话:020-87503156

客服微信:158 9996 0129

QQ:413146690

地址:广州市天河区体育东横街39号



Posted @ 2017/8/18 16:17:26  阅读( 2720)  
最新更新
  • 成为席卷舞台的风暴——YAMAHA APX系列
  • 不想练习?也许你需要一款更好的音箱丨THR Series
  • 电吉他学习基础知识之和声教程
  • 优秀的不止原声--Takamine
  • 全线代理-YAMAHA原声吉他
  • 广州琴行 吉它 民谣吉它 木吉它 电声乐器
    联系电话:020-87503156 87506629 13392473238 传真:020-85264728
    地址:天河南体育东横街39号(体育东市场侧) 邮编:510000
    邮件:rocky1219@163.com 网址:www.rockymusic.cn
    copyright@广州市天河区新星堂琴行
    粤ICP备13011170号